動画を再生するには、videoタグをサポートしたブラウザーが必要です。
___ Staind Garden Light ___ ステンドグラス風ガーデンテラス照明 アクリル板に透明塗料でイラストを彩色
____ Solor Old Lamp ____ オイルランプの炎のゆらぎをLEDで再現 太陽電池で昼間充電し日没後に自動点灯
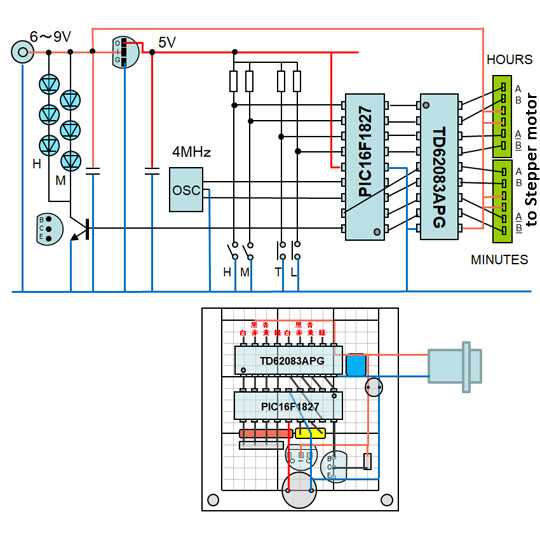
__ Digital Clock (MCLK12D) __ Black glass panel & Blue meters 1/3 size Digital Clock