_ Motordrive Dobsonian Telescope _ ドブソニアン望遠鏡(R2-D2型収納)
動画を再生するには、videoタグをサポートしたブラウザーが必要です。
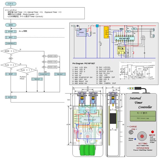
__ Portable Equatorial Mount __ TangentScrew方式ポータブル赤道儀 タイムラプス撮影用 Interval Timer
__ Sagittarius Star Shower __ いて座タイムラプス映像(photoshop編)